支架電機OEM
型號:STB01-YZ1513
產品分類:OEM蠕動泵
參考流量:0.37ml/min~2200ml/min
產品特點:由57步進電機搭配安裝支架構成的體積小、結構簡單的蠕動泵驅動器產品,可搭配多種泵頭,實現2200mL/min以下的流體傳輸。由用戶直接驅動步進電機對工作過程進行控制,采用底板安裝方式。
全國客服熱線:0312-5880965
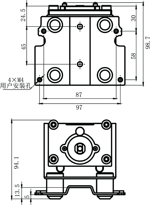
1、支架電機+泵頭結構
2、兼容多種泵頭
3、配置57步進電機
4、主要在設備儀器中配套使用
| 電機參數 | 電機接口 | ||
| 項目 | 參數 | 線色 | 定義 |
| 步距角 | 1.8° | 黑 | A |
| 相數 | 2 | ||
| 絕緣電阻 | ≥100MΩ | 綠 | A |
| 絕緣等級 | B級 | ||
| 相電壓 | 2.7V | 紅 | B |
| 相電流 | 2.6A | ||
| 電阻 | 1.8Ω±10% | 藍 | B |
| 電感 | 2.3mH±20% | ||
1、適用泵頭及參考流量
| 適配泵頭 | YZ1513 | YZ2513S | BZ25-24 | DG系列 | |||||||
| 最高轉速 | 600rpm | 150rpm | |||||||||
| 適用軟管 | 13# | 14# | 19# | 16# | 25# | 17# | 18# | 15# | 24# | 24# | 內徑<3.17mm,壁厚<1mm |
| 流量ml/min | 38 | 150 | 250 | 460 | 960 | 1600 | 2200 | 960 | 1600 | 1630 | 70 |




